roboCar: schemat i kody źródłowe
Projekt roboCar trochę mi utknął, chwilowo jestem skoncentrowany na innych przedsięwzięciach. Przysiadłem jednak trochę fałdów i na GitHubie dostępne są od dzisiaj:
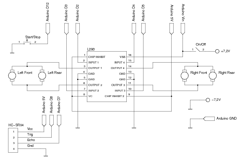
- schemat elektryczny drivera silników i miernika odległości oraz ich podłączenie do Arduino,
- pełny kod źródłowy programu sterującego Arduino
