DIY: lampa błyskowa z regulacją mocy IV - Krok po kroku
Przygoda z dodaniem regulacji mocy flesza do lampy Vivitar 16M opisanej tu tu i tu powoli dobiega końca. Projekt uważam za zakończony sukcesem i coś czuję, że posłuży on jako baza do dalszych doświadczeń związanych z regulacją mocy błysku. Chodzi mi po głowie własnej DIY lampa studyjna z płynną regulacją błysku, choć pewnie skończy się na regulacji co 1/8-1/16 mocy błysku. Zobaczymy co czas przyniesie.
Wracając do regulacji mocy błysku w Vivitar 16M, opiszę dalej krok po kroku w jaki sposób dorobić samodzielnie tego typu regulację do praktycznie dowolnej manualnej lampy błyskowej. Zaczynamy!
Lista potrzebnych narzędzi i części:
- śrubokręt do rozkręcenia lampy
- cążki
- lutownica
- spoiwo lutownicze
- kondensatory (o tym jakie, później)
- przełącznik lub przełączniki
- taśma izolacyjna
- nożyczki, skalpel
Zaczynamy:
- Rozkręcamy lampę błyskową. Uwaga, kondensator lampy może zawierać ładunek niebezpieczny dla zdrowia i życia człowieka!! Przed rozkręceniem lampy musimy mieć pewność, że kondensator nie jest naładowany. Aby najprostszą metodą jest naładowanie lampy, wyłącznie zasilania i jej odpalenie. Jesli lampa nie odpala po wyłączeniu zasilania, wyzwalamy ją włączoną i natychmiast wyłączamy lampę. Następnie wyjmujemy baterie i odkładamy lampę na godzinę. Kondensator powienien być rozładowany. Przez cały czas pracy z kondensatorem zachowujemy nadzwyczajną ostrożność

- Sprawdzamy parametry kondensatora. Interesuje nas pojemność wyrażona w uF i napięcie w woltach. Opisywany kondensator miał 150uF i 330V. Bateria kondensatorów którą wstawimy powinna mieć zbliżoną pojemność (nie większą) i podobne napięcie (nie mniejsze). W moim przypadku zdecydowałem się na 3x 47uF 400V. Dobieramy rozmiary kondenatorów według uznania. Nie muszą mieć równej pojemności. Zamiast 3x 47uF mogłem użyć 10uF, 33uF i 100uF lub dowolnej innej konfiguracji dającej w sumie około 150uF. Ważnym elementem doboru kondensatorów jest też dostępność miejsca w obudowie. Muszą w końcu gdzies się zmieścić!
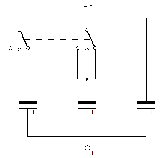
- Dobieramy rodzaj przełącznika lub przełączników sterujących włączaniem kolejnych kondensatorów w obwód. Musimy pamiętać, że zawsze jeden kondensator musi być w obwodzie aby nie dopuścić
do jałowej pracy przetwornicy napięcia. Wybór przełącznika determinuje liczba i sposób łączenia kondensatorów. Dla mojego przypadku i regulacji 1/1, 2/3 i 1/3 wystarczył jeden przełącznik 3 stanowy 2 segmentowy. Dla takiej konfiguracji schemat połączenia kondensatorów może wyglądać następująco:

- Rozpoczynamy montaż:
- Demontujemy oryginalny kondensator
- Łączymy plusy kondensatorów i osadzamy je w obudowie lampy

- Przylutowujemy wyprowadzenia przełącznika

- Łączymy cały układ elektryczny

- Wiercimy otwór na przełącznik w obudowie i składamy. Lampa z regulacją mocy błysku gotowa!

- Znajdujemy mało ciekawy kadr w sensownej odległości od lampy
- Ustawiamy lampę na moc 1/1
- Dobieramy ekspozycję do mocy 1/1 (zwykle można odczytać z tabelki na lampie)
- Robimy zdjęcie na pełnej mocy

- Przestawiamy lampę na moc 2/3
- Robimy zdjęcie z parametrami takimi samymi jak na poprzednim ujęciu

- Przestawiamy lampę na moc 1/3
- Robimy zdjęcie z taki samymi parametrami jak poprzednio

- Jeśli kolejne zdjęcia będą wyraźnie ciemniejsze, wszystko jest OK. Jeśli nie, trzeba ponownie sprawdzić podłączenie kondensatorów
Krótkie podsumowanie:
- stopnień skomplikowania: niski
- efekty: interesujące
- przydatność: średnia
- koszt: niski (około 10zł)